Запасные части ЧТЗ Запасные части ЧТЗ
Иркутск
Например:
Актобе
Алдан
или
Выбрать автоматически
Актобе
Алдан
Алматы
Алчевск
Архангельск
Астана
Астрахань
Атырау
Баку
Балашиха
Барнаул
Белгород
Бердянск
Бишкек
Владивосток
Владикавказ
Воркута
Воронеж
Горловка
Грозный
Донецк
Екатеринбург
Иваново
Ижевск
Иркутск
Казань
Калининград
Каменск-Уральский
Караганда
Каховка
Кемерово
Киров
Комсомольск-на-Амуре
Костанай
Краснодар
Красноярск
Красный луч
Ленск
Луганск
Магадан
Магнитогорск
Макеевка
Махачкала
Мелитополь
Минск
Мирный (Якутия)
Москва
Мурманск
Нерюнгри
Нижневартовск
Нижний Новгород
Нижний Тагил
Новая каховка
Новокузнецк
Новосибирск
Новый Уренгой
Норильск
Ноябрьск
Нур-Султан
Омск
Оренбург
Ош
Павлодар
Пермь
Петрозаводск
Петропавловск
Петропавловск-Камчатский
Псков
Ростов-на-Дону
Салехард
Самара
Санкт-Петербург
Саратов
Севастополь
Семей
Симферополь
Сочи
Ставрополь
Сургут
Сыктывкар
Тараз
Ташкент
Токмак
Томск
Тында
Тюмень
Ульяновск
Усинск
Усть-Каменогорск
Уфа
Хабаровск
Ханты-Мансийск
Херсон
Челябинск
Чита
Шымкент
Экибастуз
Энергодар
Южно-Сахалинск
Якутск
Ваш город
Иркутск
Войти
Запасные части к тракторам на одном сайте
+7 (932) 303-00-10
+7 (932) 303-00-10
г. Иркутск, ул. Набережная Иркута, д. 1/1
Пн-Пт: 9:30-18:30 Cб-Вс: Выходной
Отправить заявку


Насос водяной на Т10М / Б10М


/
с НДС 20%
Описание
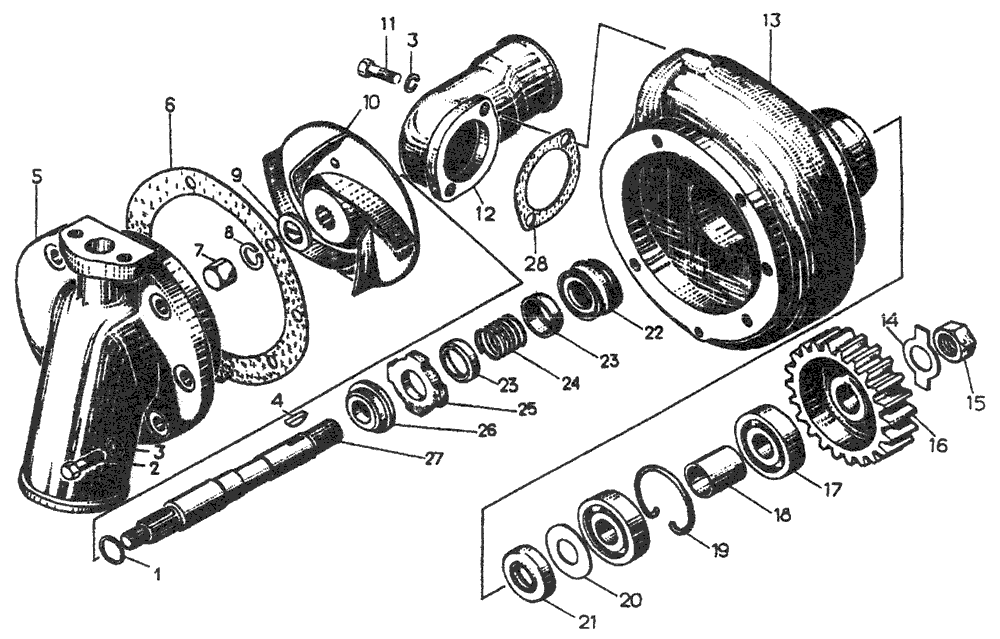
Водяной насос Т10М
#Номер запчастиНаименование деталиКол-во в сборке
-16-08-140СПНасос1
1700-58-2405Кольцо1
2-Болт М10x25.58.0195
3-Шайба 10 ОТ 65Г 097
434126Шпонка сегментная1
516-08-104-2Раструб1
6700-40-3097Прокладка1
7700-30-2296Гайка1
8-Шайба 14ОТ65Г091
931477-01 1Шайба1
10700-42-2567 1Крыльчатка1
11-Болт М10x22.58.0192
1216-08-110Патрубок1
1316-08-109Корпус1
14700-31-2529Шайба1
15-Гайка М18х1,5-7Н.6.0191
1616-08-5Шестерня1
17-Подшипник 304А2
1816-08-6Втулка1
1916-08-15Кольцо стопорное1
2016-08-13Шайба1
21-Манжета 2.2-22x40-21
22700-40-2992-1Гофр уплотнения1
2351-08-3Седло2
24700-38-2235Пружина1
2516-08-11-2Шайба1
2651-08-45 1Кольцо1
2751-08-25Валик1
28700-40-3833Прокладка1
1 Заказывать комплект 51-08-124СП Крыльчатка.
Насос водяной